Ausverkauft

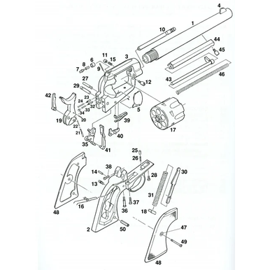
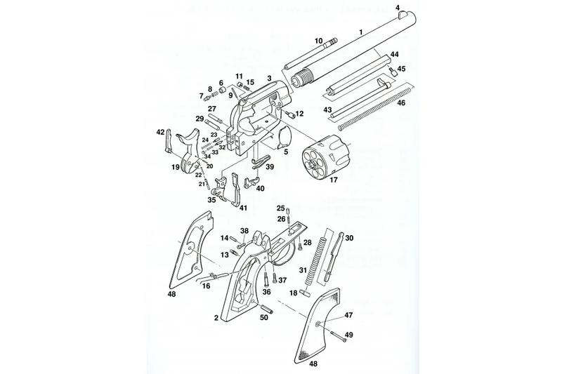
Ruger Vaquero #0 Explosionszeichnung

Ausverkauft

Kategorie / Typ unbestimmt
Artikelnummer RV-0